EW-70 spring balancer
Product overview
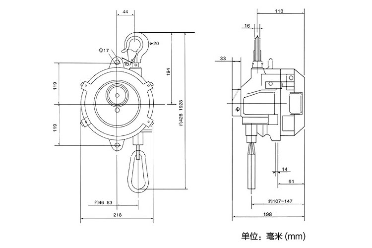
EW-70 spring balancer
| Model | Balance load (kg) | Rope stroke (m) | Cable diameter (mm) | ||
| Standard type | EW-70 | 60-70 | 1.5 | 5.1 | Very popular, with a number of safety features, suitable for welding guns, pneumatic tools, etc |

National sales service hotline:
400-656-3818 13911452816
Chinese
English



